A recent YouTube tutorial by Usagi Electric has captured the attention of retro computing enthusiasts. The video details the process of creating RAM specifically for the TMS9900 homebrew computer. This project is part of a broader interest in retro computing, with the TI-99/4A being highlighted as an excellent starting point for newcomers.

The TMS9900 microprocessor, used in the TI-99/4A, is known for its limited register options, with many operations relying on RAM for functionality. In the tutorial, Usagi Electric emphasizes the necessity of having RAM connected to leverage the full capabilities of the CPU. To address this, he embarks on building RAM for his homebrew board.

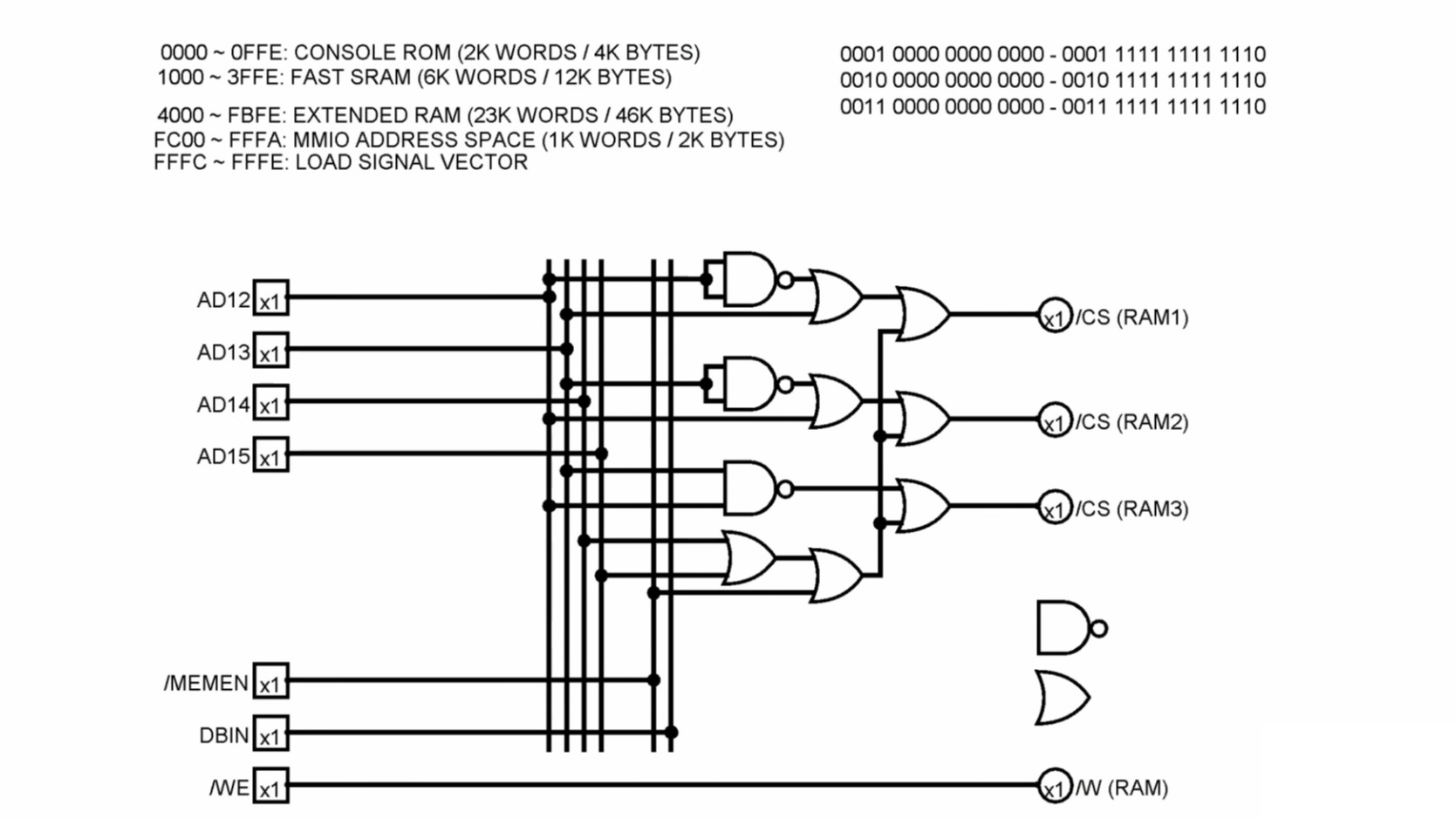
To construct the RAM, Usagi Electric employs six Mitsubishi M58725P static RAM integrated circuits, each providing 16 kilobits (or 2 kilobytes) of memory. Each chip features 11 address lines and 8 data lines, and by configuring two chips together, he achieves support for 16-bit words. Using three pairs of these chips, he effectively constructs a total of 12 kilobytes of RAM.

Technical Components and Design Choices

In addition to the RAM chips, Usagi Electric incorporates 74LS00 Quad 2-input NAND gates and 74LS32 Quad 2-input OR gates in his design. When asked about the prevalence of these components in his project, he humorously notes, “I have lots of them!” This pragmatic approach underscores the creativity often seen in DIY electronics projects.

After a brief introduction to his pets, Usagi Electric proceeds to assemble and test the RAM. For comprehensive testing, he develops a simple assembly program, utilizing a custom toolchain built from various software resources available online. The successful outcome of his testing is marked by the expected trace observed on an oscilloscope, confirming the functionality of the RAM.

The video not only serves as a practical guide for hobbyists interested in retro computing but also contributes to the growing community around the TMS9900. Similar projects have previously emerged, as seen in other builds shared online, showcasing the enduring fascination with vintage technology.

As retro computing continues to gain traction, tutorials like this one from Usagi Electric provide valuable insights and encourage individuals to engage with technology from previous decades. The combination of nostalgia and hands-on learning offers a unique avenue for enthusiasts to explore and create.